首页
关于伟家业
▼
品牌故事
发展历程
研发创新
门窗系统
▼
内开内倒窗系列
外开窗系统
平开门系统
推拉门系统
推拉窗系统
智能提升窗系统
智能电动遮阳系统
工程案例
招商加盟
新闻中心
联系我们
中 / EN
扫码关注公众号
4008-822-673
点击立即拨打
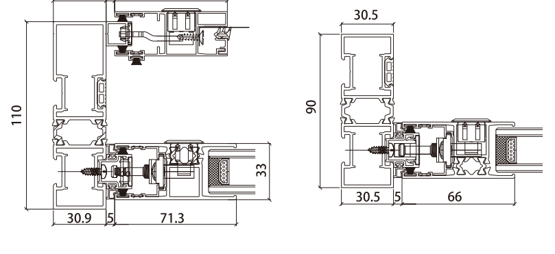
WTL90/WTL110 推拉窗
产品详情
TECHNICAL SPECIFICATION